برغي ذو شفة مسننة
1.مسامير سداسية QC-T 340 ذات شفة مسننة للسيارات (طول>150 مم)
2. مصدر مصنع البراغي، المصنع الخاص: مع ميزة السعر، والقضاء على فرق السعر من الوسطاء.
3. اعتماد الفولاذ السميك عالي الجودة في الصناعة، والاستقرار العالي والمتانة طويلة الأمد.
4. دعم تخصيص العملاء.
5. مبيعات احترافية وخدمة ما بعد البيع، نرحب بالاستفسار في أي وقت.
6. التسليم في الوقت المحدد.
المسمار ذو شفة مسننةيُعدّ هذا العنصر مُكوّنًا أساسيًا في التركيبات الميكانيكية التي تتطلب ثباتًا مُحسّنًا ومقاومةً للاهتزازات. صُممت هذه البراغي لتطبيقات التثبيت عالية القوة، حيث تدمج شفة عريضة أسفل الرأس مع تسننات شعاعية لخلق تأثير قفل ضد قوى الارتخاء. تُقدّم هذه المقالة نظرة عامة مُعمّقة، وغنية بالتقنيات، ومُحسّنة لمحركات البحث حول براغي الشفة المسننة، مُفصّلةً موادها، ومبادئ تصميمها، ومعايير تصنيعها، واستخداماتها الصناعية، وإرشادات الامتثال.
ما هو مسمار الشفة المسننة؟
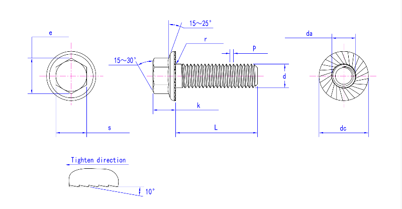
أمسمار ذو شفة مسننةهو نوع من البراغي سداسية الرأس، يتميز بحافة مدمجة غير دوارة عند قاعدته، مع تسننات (أخاديد) على الجانب السفلي من الحافة. تلتصق هذه التسننات بالسطح المتزاوج عند شدها، مما يزيد الاحتكاك ويمنع الارتخاء الذاتي الناتج عن الاهتزاز أو ارتداد عزم الدوران.
السمات الهيكلية الرئيسية
| عنصر | وصف |
|---|---|
| رأس سداسي | يسمح بتطبيق عزم الدوران القياسي باستخدام أدوات المفتاح أو المقبس |
| قاعدة شفة | يعمل مثل الغسالة المدمجة لتوزيع الحمل بالتساوي |
| التسننات الشعاعية | توفير آلية قفل عن طريق تضمينها في سطح التزاوج |
| عرقوب الخيوط | عادةً ما يكون هناك خيوط مترية أو UNC/UNF اعتمادًا على المعايير الإقليمية |
اعتبارات التصميم الهندسي
1.العلاقة بين عزم الدوران والتوتر
تخلق مسامير الحافة المسننة احتكاكًا أعلى عند الواجهة.
يتطلبقيم عزم الدوران المعدلة، عادة ما تكون أعلى بنسبة 20-25% من مسامير الشفة الملساء.
2.توافق صلابة المواد
يمكن أن تتسبب الأسنان المسننة في إتلاف المواد الأكثر ليونة (مثل الألومنيوم).
استخدم معأسطح التزاوج المتصلبةأو حدد هندسة التسنن وفقًا لذلك.
3.زاوية التسنن ودرجة التسنن
تتراوح زوايا التسنن عادة منمن 45 درجة إلى 60 درجة.
يؤثر عدد الأسنان وعمقها على أداء القفل وسلامة السطح.
المواد والطلاءات الشائعة
| مادة | ملكيات |
|---|---|
| الفولاذ الكربوني (الدرجة 8.8 / 10.9) | قوة شد عالية؛ مناسبة للتطبيقات الهيكلية |
| الفولاذ المقاوم للصدأ (A2-70 / A4-80) | مقاوم للتآكل؛ مثالي للبيئات الخارجية والكيميائية |
| سبائك الصلب | قابلة للمعالجة الحرارية للتركيبات عالية الضغط أو الحساسة للتعب |
مطلي بالزنك: الحماية الأساسية من التآكل
جيوميت®/داكروميت®:مقاوم لرذاذ الملح، صديق للبيئة
أكسيد أسود:مقاومة خفيفة للتآكل مع وهج منخفض
مجلفن بالغمس الساخن:منع الصدأ عالي التحمل للتطبيقات الخارجية
معايير الصناعة والامتثال التنظيمي
| معيار | المنطقة/النطاق | وصف |
|---|---|---|
| ايزو 1665 | دولي | يحدد الأبعاد والخصائص الميكانيكية لمسامير الشفة |
| DIN 6921 / EN 1665 | الاتحاد الأوروبي | المعيار الألماني/الأوروبي لمسامير الشفة السداسية |
| ASME B18.2.1 | أمريكا الشمالية | يغطي التفاوتات الأبعادية لمسامير السلسلة بالبوصة |
| RoHS / REACH | الامتثال البيئي للاتحاد الأوروبي | يضمن خلو المواد من المواد الكيميائية الضارة مثل الرصاص أو الكادميوم |
| ASTM A574 / SAE J429 | الولايات المتحدة الأمريكية المعايير الميكانيكية | متطلبات الشد والصلابة والتركيب الكيميائي |
✅مقاومة الاهتزاز- تقلل النتوءات من خطر التراخي تحت الأحمال الدورية
✅تصميم الغسالة المتكامل- يزيل الحاجة إلى غسالات منفصلة
✅تجميع أسرع– الحل المكون من قطعة واحدة يقلل من المخزون ووقت التثبيت
✅حتى توزيع الحمل- يقلل من تركيزات الإجهاد على أسطح التثبيت
✅قوة سحب عالية- ممتاز للمفاصل التي تتحمل الأحمال الديناميكية
التطبيقات الصناعية المشتركة
| صناعة | طلب |
|---|---|
| السيارات | أنظمة التعليق والمحركات وألواح الهيكل |
| بناء | الهياكل الفولاذية والسقالات والجسور |
| الفضاء الجوي | التثبيتات غير الحرجة في تجميعات المقصورة |
| تصنيع | الآلات الثقيلة، أنظمة النقل، المكابس الهيدروليكية |
| الطاقة المتجددة | توربينات الرياح، إطارات الألواح الشمسية |
نصائح واحتياطات التصميم
تجنب استخدام مسامير الشفة المسننة معالأسطح المطلية أو المغلفةما لم يكن الضرر السطحي مقبولاً.
يستخدممركبات تثبيت الخيوطفقط إذا كان مسموحًا بذلك على وجه التحديد من خلال التسامحات التصميمية.
يتقدمقيم عزم الدوران وفقًا لمعامل الاحتكاكوالصلابة المادية لتجنب الإفراط في الشد أو التآكل.
في التجمعات الحرجة، ضع في اعتباركطرق شد التحكم في زاوية عزم الدورانللتحميل المسبق المتسق.
الأسئلة الشائعة
س1: هل مسامير الشفة المسننة قابلة لإعادة الاستخدام؟
ج:بشكل عام، نعم، ولكن قد تُسبب الأسنان المسننة تآكلًا أو إتلافًا لسطح التزاوج. تعتمد إمكانية إعادة الاستخدام على إجهاد التطبيق ومادة السطح.
س2: هل يمكن استخدامها مع الغسالات؟
ج:لا يُنصح باستخدامه. تعمل الحافة المسننة كغسالة مدمجة. استخدام غسالة إضافية قد يُقلل من أداء القفل.
س3: هل هناك بدائل لمسامير الحافة المسننة لمكافحة الاهتزاز؟
ج:نعم مثل:
صواميل قفل من النايلون
غسالات نورد لوك
صواميل عزم الدوران السائدة
ومع ذلك، توفر مسامير الشفة المسننة فوائد متكاملة في مكون واحد.
س4: ما هي مواصفات عزم الدوران التي يجب أن أتبعها؟
ج:راجع جداول عزم الدوران ISO أو DIN لمعرفة درجات عزم الدوران وتباعد الخيوط. اضبطها وفقًا للاحتكاك في حال وجود طلاء أو تزييت.
س5: هل يمكن استخدام مسامير الحافة المسننة في التجمعات المصنوعة من الألومنيوم؟
ج:نعم، ولكن بحذر. يمكن أن تقطع الأسنان الألومنيوم اللين. فكّر في استخدامشفة غير مسننةأو تحديد أملف تعريفي أكثر ليونة للتسنين.
مثال على حالة الاستخدام: مجموعة تعليق السيارات
مواصفة:
مسمار شفة مسنن M10 × 1.5
المواد: مطلية بالزنك من الدرجة 10.9
عزم الدوران: 50 نيوتن متر (معدل لمعامل احتكاك 0.15 ميكرومتر)
نتيجة:تحسين مقاومة الاهتزاز
لا حاجة لغسالات إضافية
20% أسرع في وقت التثبيت على خط الإنتاج
خاتمة
المسمار ذو شفة مسننةمثبت عالي الكفاءة والموثوقية للتطبيقات المعرضة للاهتزازات. تُعزز ميزات الغسالة والقفل المدمجة فيه سلامة التثبيت، مما يجعله مثاليًا للبيئات عالية الأداء مثل قطاعات السيارات والصناعة والبناء. بفضل توافقه مع معايير ISO وDIN وASTM، توفر مسامير الشفة المسننة حل تثبيت متينًا ومتسقًا في جميع الأسواق العالمية.



رسم المنتج


