GB-T 5787 مسامير شفة ذات رأس سداسي
المنتج: GB-T 5787 مسامير شفة ذات رأس سداسي
فئة العقار:4.6،4.8،5.6،5.8،8.8،10.9،12.9،
A2-70، A4-70، A4-80
اللمسة النهائية: طلاء الزنك (الزنك الأصفر، الزنك الأزرق، لون الشطف)، الأسود، الفوسفات والزيت، فوسفات الزنك، المجلفن بالغمس الساخن (HDG)، داكروميت، هندسي
المواد: الصلب
بلد التصدير: الولايات المتحدة الأمريكية واليابان وأستراليا وأوروبا وما إلى ذلك
دعم تخصيص العملاء
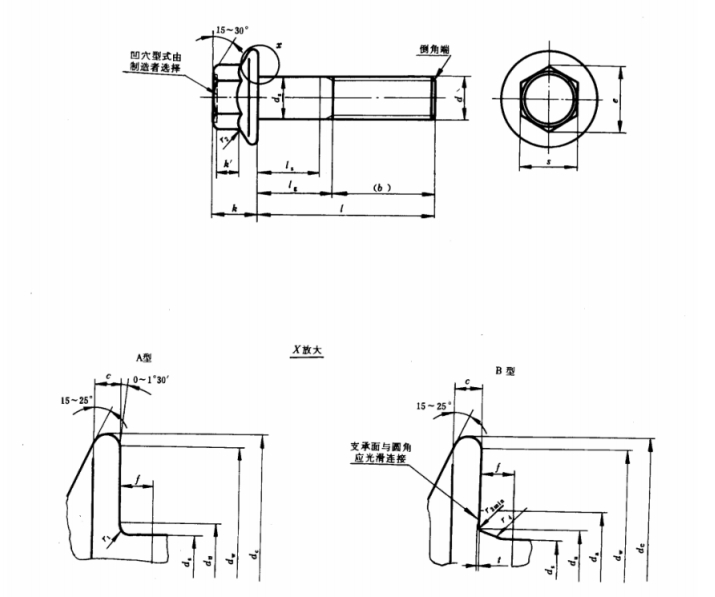
يعتبر مسمار الفلنجة السداسي GB 5787 موصلًا مهمًا بهيكل بسيط واتصال موثوق. يمكن لرأسه السداسي ذو الثقوب والأخاديد قفل البراغي بالطرق الميكانيكية لمنع الارتخاء بشكل موثوق. يختلف حجم مسامير الفلنجة وفقًا للعيارات المختلفة ومستويات الضغط الخاصة بالفلنجات المتصلة. تحدد المواصفة القياسية متطلبات الأبعاد لمسامير الفلنجة تحت مستويات ضغط مختلفة، مثل قطر الترباس، وطول الترباس، وقطر رأس الترباس، وسمك رأس الترباس. يمكن أن تعمل المعالجة السطحية على تحسين مقاومة التآكل ومقاومة التآكل لمسامير الفلنجة وإطالة عمر الخدمة. تُستخدم مسامير الفلنجة السداسية GB 5787 على نطاق واسع في العديد من الصناعات مثل محركات السيارات، والآلات الثقيلة، والصناعات الثقيلة لبناء السفن، والمعدات الطبية، والآلات الغذائية، ومعدات الاتصالات الإلكترونية، إلخ.
الصور
رسم المنتج
مواصفات المنتج
مقاس |
م5 |
م6 |
م8 |
م10 |
م12 |
م14 |
م16 |
|
ب |
ل<125 |
16 |
18 |
22 |
26 |
30 |
34 |
38 |
125
|
/ |
/ |
28 |
32 |
36 |
40 |
44 |
|
ل> 200 |
/ |
/ |
/ |
/ |
/ |
53 |
57 |
|
ج دقيقة |
1 |
1.1 |
1.2 |
1.5 |
1.8 |
2.1 |
2.4 |
|
دا ماكس |
نوع أ |
5.7 |
6.8 |
9.2 |
11.2 |
13.7 |
15.7 |
17.7 |
النوع ب |
6.2 |
7.4 |
10.0 |
12.6 |
15.2 |
17.7 |
20.7 |
|
العاصمة كحد أقصى |
11.4 |
13.6 |
17.0 |
20.8 |
24.7 |
28.6 |
32.8 |
|
س |
الأعلى |
5.0 |
6.0 |
8.0 |
10.0 |
12.0 |
14.0 |
16.0 |
دقيقة |
4.82 |
5.82 |
7.78 |
9.78 |
11.73 |
13.73 |
15.73 |
|
دو ماكس |
5.5 |
6.6 |
9.0 |
11.0 |
13.5 |
15.5 |
17.5 |
|
دو دقيقة |
9.4 |
11.6 |
14.9 |
18.7 |
22.6 |
26.4 |
30.6 |
|
دقيقة |
7.44 |
8.56 |
10.8 |
14.08 |
16.32 |
19.68 |
22.94 |
|
و ماكس |
1.4 |
2.0 |
2.0 |
2.0 |
3.0 |
3.0 |
3.0 |
|
ك كحد أقصى |
5.6 |
6.8 |
8.5 |
9.78 |
11.9 |
12.9 |
15.1 |
|
ك 'دقيقة |
2.3 |
2.9 |
3.8 |
4.3 |
5.4 |
5.6 |
6.7 |
|
ص1 دقيقة |
0.2 |
0.25 |
0.4 |
0.4 |
0.6 |
0.6 |
0.6 |
|
r2 كحد أقصى |
0.3 |
0.4 |
0.5 |
0.6 |
0.7 |
0.9 |
1.0 |
|
ص3 دقيقة |
0.1 |
0.1 |
0.15 |
0.2 |
0.25 |
0.3 |
0.35 |
|
ص4 |
3.0 |
3.4 |
4.3 |
4.3 |
6.4 |
6.4 |
6.4 |
|
س |
الأعلى |
7.0 |
8.0 |
10.0 |
13.0 |
15.0 |
18.0 |
21.0 |
دقيقة |
6.64 |
7.64 |
9.64 |
12.57 |
14.57 |
17.57 |
20.48 |
|
ر |
الأعلى |
0.15 |
0.25 |
0.25 |
0.3 |
0.35 |
0.45 |
0.5 |
دقيقة |
0.05 |
0.05 |
0.1 |
0.15 |
0.15 |
0.2 |
0.25 |
|
دعم تخصيص العملاء |
||||||||
بعض المقدمة عن شركتنا
طلب
شركة Jinan Star متخصصة في إنتاج منتجات التثبيت. يتم استخدام البراغي والصواميل وغيرها من المنتجات لدينا على نطاق واسع في الآلات والسكك الحديدية والسيارات والبناء والكهرباء والجسور والاتصالات ومكافحة الحرائق وغيرها من الصناعات.
ورشة عمل
ورشة عمل Jinan Star Fastener Co., Ltd. هي المجال الأساسي لإنتاج وتصنيع الشركة، مع معدات الإنتاج المتقدمة. يضمن التصميم المعقول لورشة العمل وعملية الإنتاج العلمي الإنتاج الفعال والمخرجات عالية الجودة لمنتجات التثبيت.
شهادة
حصلت شركة Jinan Star Fastener Co., Ltd. على نسخة 2015 من شهادة نظام إدارة الجودة ISO9001 من خلال الإدارة العلمية لقادة الأقسام المختلفة والسعي لتحقيق الجودة العالية للبراغي والمثبتات الأخرى. بالإضافة إلى ذلك، حصل المختبر المملوك لشركة Star على الشهادة في عام 2017. وحصل على شهادة CNAS الوطنية في عام 2018، وحصلت الشركة على شهادة CE الأوروبية في عام 2018.
معدات الإنتاج
من أجل تلبية احتياجات العملاء المختلفين، قدمت الشركة سلسلة من معدات الإنتاج المتقدمة، مثل آلات العنوان البارد متعددة المحطات، ومعدات لف الخيوط، ومعدات المعالجة الحرارية، وآلات السفع بالخردق، وآلات السفع الرملي، وخطوط الطلاء الكهربائي وغيرها من الأسطح. معدات المعالجة، ومعدات التعبئة والتغليف الأوتوماتيكية بالكامل، وما إلى ذلك، هذه المعدات لا تعمل على تحسين كفاءة الإنتاج فحسب، بل تضمن أيضًا اتساق واستقرار جودة المنتج.
معدات اختبار
تولي شركة Jinan Star Fastener أهمية كبيرة لجودة المنتج وهي مجهزة بمعدات فحص الجودة الكاملة، مثل آلات اختبار الشد، واختبار عزم الدوران، والمجاهر المعدنية، وأجهزة العرض الضوئية، وغرف اختبار رش الملح، وأجهزة قياس سمك الطلاء، وما إلى ذلك، والتي تستخدم ل اختبار قوة الشد والاستطالة لمنتجات التثبيت وتقييم الخواص الميكانيكية للمنتجات. تضمن هذه المعدات أن كل وصلة من المواد الخام إلى المنتجات النهائية يمكن التحكم فيها بدقة من حيث الجودة.
التعبئة
خدمة
1. توفير مسامير شفة سداسية GB/T 5787 مخصصة وفقًا لاحتياجات ومواصفات العملاء الخاصة. يتضمن ذلك اختيار المواد والأحجام ومواصفات الخيوط والمعالجات السطحية المناسبة.
2. التسليم السريع لضمان حصول العملاء على البراغي التي يحتاجونها في الوقت المناسب. تطوير خطط إنتاج وتسليم معقولة بناءً على حجم طلبات العملاء ومتطلبات وقت التسليم.
3. الدعم الفني الاحترافي، بما في ذلك التوجيه بشأن تركيب البراغي واستخدامها وصيانتها. ساعد العملاء على ضمان الاستخدام الصحيح للمسامير لزيادة عمرها الافتراضي وسلامتها.
التعليمات
1. كيف يمكنك ضمان جودة المنتج؟
يمكن للمصنعين تقديم وثائق شهادات الجودة ذات الصلة لإثبات جودة وموثوقية المنتج. وفي الوقت نفسه، يمكن أيضًا تقديم عينات للعملاء لاختبارها للتأكد من أن المنتجات تلبي توقعات العملاء ومتطلباتهم.
2. هل يمكنك أن تعطيني أفضل الأسعار؟
نرحب بكم للاستفسار معنا بناءً على حجم طلب العميل ومتطلبات وقت التسليم، وسوف نقدم عرض أسعار معقول.
3. هل يمكنك شحن البضائع في أقرب وقت ممكن؟
يمكن للمصنعين صياغة خطط إنتاج وتسليم معقولة بناءً على متطلبات التسليم للعملاء لتقصير وقت التسليم قدر الإمكان. يمكنهم أيضًا تقديم خدمات سريعة لتلبية احتياجات العملاء العاجلة.













