GB-T 5787 مسامير شفة سداسية الرأس
المنتج: GB-T 5787 مسامير شفة سداسية الرأس
فئة العقار: 4.6،4.8،5.6،5.8،8،8،10.9،12.9 ،
A2-70 ، A4-70 ، A4-80
النهاية: طلاء الزنك (الزنك الأصفر ، الأزرق الزنك ، لون الشطف) ، الأسود ، الفوسفات والزيت ، فوسفات الزنك ، المجلفن بالغمس الساخن (HDG) ، Dacromet ، Geomet
المواد: الصلب
بلد التصدير: الولايات المتحدة الأمريكية واليابان وأستراليا وأوروبا وهلم جرا
دعم تخصيص العملاء
GB-T 5787 مسامير شفة سداسية الرأس: الميزات والتطبيقات والمزايا
مقدمة
الGB-T 5787 مسامير شفة سداسية الرأسهي مثبتات مصممة بدقة مصممة لتلبية المتطلبات الملحة لمجموعة متنوعة من التطبيقات الصناعية والبناء. تم تصنيعها وفقا لجي بي تي 5787قياسية ، تتميز هذه البراغي برأس سداسي وشفة مدمجة ، مما يوفر قوة محسنة وتوزيع الحمل ومقاومة الاهتزاز. إن الجمع بين تصميم الرأس السداسي ووظائف الحافة يجعل هذه البراغي مثالية للاستخدام في الأنظمة التي تتطلب اتصالات آمنة وطويلة الأمد تحت ضغط أو اهتزاز عال.
الصور



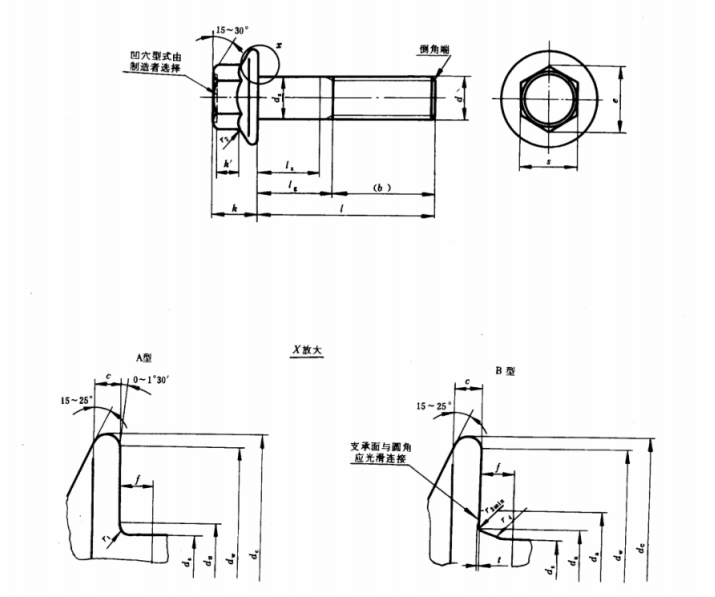
رسم المنتج
الميزات الرئيسية ل GB-T 5787 مسامير شفة سداسية الرأس
رأس سداسي لسهولة الشد
الGB-T 5787 مسامير شفة سداسية الرأستتميز بتصميم رأس سداسي تقليدي ، مما يسمح بسهولة الشد والتركيب باستخدام مفاتيح الربط القياسية أو أدوات المقبس. يعزز هذا التصميم البسيط راحة المستخدم ويضمن إمكانية تثبيت البراغي بسرعة وأمان في مختلف التطبيقات.شفة متكاملة لتوزيع الأحمال
واحدة من الميزات البارزة لGB-T 5787 مسامير شفة سداسية الرأسهي الحافة المدمجة ، والتي تعمل كغسالة مدمجة. تساعد هذه الحافة على توزيع الحمل المطبق بالتساوي عبر المادة ، مما يقلل من احتمالية تلف قطعة العمل ويوفر اتصالا أقوى وأكثر استقرارا. تقلل الحافة أيضا من الحاجة إلى غسالات منفصلة ، مما يبسط عملية التجميع.مواد مقاومة للتآكل
تتوفر هذه البراغي في مجموعة من المواد ، مثل الفولاذ الكربوني والفولاذ المقاوم للصدأ وسبائك الصلب ، اعتمادا على المتطلبات المحددة للتطبيق. الاضافه الي ذلكGB-T 5787 مسامير شفة سداسية الرأسيمكن طلاءها بتشطيبات واقية مثل طلاء الزنك لتعزيز مقاومتها للتآكل ، مما يجعلها مناسبة للاستخدام في البيئات القاسية المعرضة للرطوبة أو المواد الكيميائية أو درجات الحرارة المرتفعة.قوة عالية ومتانة
بنيت لتحمل الأحمال الكبيرة والإجهاد الميكانيكي ،GB-T 5787 مسامير شفة سداسية الرأستوفر قوة شد عالية ومقاومة للتآكل. يجعلها هيكلها المتين مثالية للتطبيقات التي تتطلب أداء وموثوقية على المدى الطويل، حتى في ظل ظروف الخدمة الشاقة.الأحجام القياسية والمخصصة
GB-T 5787 مسامير شفة سداسية الرأسمتوفرة بأحجام متنوعة لاستيعاب متطلبات المشروع المختلفة. سواء كنت تعمل مع آلات صغيرة الحجم أو أنظمة صناعية كبيرة ، يمكن تخصيص هذه البراغي لتلبية الاحتياجات المحددة ، مما يضمن الملاءمة المثالية لتطبيقك.
تطبيقات GB-T 5787 مسامير شفة سداسية الرأس
صناعة السيارات
GB-T 5787 مسامير شفة سداسية الرأستستخدم بشكل شائع في قطاع السيارات لتأمين مكونات المحرك وأجزاء الهيكل وأنظمة التعليق. قوتها العالية ومقاومتها للاهتزاز تجعلها ضرورية للحفاظ على سلامة مكونات السيارات الهامة التي تتعرض للحركة والإجهاد المستمرين.الهندسة الإنشائية والإنشائية
في البناء ،GB-T 5787 مسامير شفة سداسية الرأستستخدم بشكل متكرر لتأمين العناصر الهيكلية ، مثل الحزم والأعمدة والإطارات المعدنية. يساعد تصميم الحافة على توزيع الحمل بالتساوي ، مما يحسن استقرار الهيكل وطول عمره. تستخدم هذه البراغي بشكل شائع في كل من مشاريع المباني السكنية والتجارية.المعدات الصناعية
GB-T 5787 مسامير شفة سداسية الرأسضرورية في تصنيع وصيانة المعدات الصناعية ، لا سيما في الآلات التي تتعرض للاهتزاز العالي والأحمال الثقيلة. تضمن الحافة بقاء البراغي مؤمنة بإحكام ، مما يقلل من خطر الارتخاء أثناء التشغيل ويعزز الموثوقية الإجمالية للمعدات.أنظمة التدفئة والتهوية وتكييف الهواء
في أنظمة التدفئة والتهوية وتكييف الهواء (HVAC) ،GB-T 5787 مسامير شفة سداسية الرأسغالبا ما تستخدم لربط القنوات والمراوح والمكونات الأخرى. خصائصها المقاومة للتآكل وقدرتها على التعامل مع الأحمال المعتدلة تجعلها مثالية للاستخدام في كل من تطبيقات التدفئة والتهوية وتكييف الهواء السكنية والتجارية.الصناعة البحرية
نظرا لمقاومتها للتآكل وقدرتها على التعامل مع الأحمال الديناميكية ،GB-T 5787 مسامير شفة سداسية الرأستستخدم على نطاق واسع في الصناعة البحرية. غالبا ما يتم توظيفهم لتأمين أجزاء من السفن والمنصات البحرية والهياكل البحرية الأخرى ، مما يضمن اتصالا آمنا حتى في بيئات المياه المالحة القاسية.
مزايا GB-T 5787 مسامير شفة سداسية الرأس
توزيع محسن للحمل
شفة مدمجة فيGB-T 5787 مسامير شفة سداسية الرأسيساعد على توزيع الحمل المطبق بالتساوي عبر الاتصال. هذا يقلل من الضغط على المادة التي يتم تثبيتها ، مما يمنع التشوه أو التلف ويضمن اتصالا أطول أمدا وأكثر أمانا.سهولة التركيب
يسمح تصميم الرأس السداسي للبراغي بإحكام الربط الفعال باستخدام الأدوات القياسية مثل مفاتيح الربط أو المقابس. هذا يجعل عملية التثبيت أسرع وأكثر وضوحا ، مما يوفر الوقت ويقلل من تكاليف العمالة.مقاومة التآكل المحسنة
GB-T 5787 مسامير شفة سداسية الرأسمصنوعة من الفولاذ المقاوم للصدأ أو مطلية بالزنك أو غيرها من التشطيبات الواقية شديدة المقاومة للتآكل ، مما يجعلها مناسبة للاستخدام في البيئات التي يكون فيها التعرض للرطوبة أو المواد الكيميائية أو درجات الحرارة القصوى أمرا شائعا. تضمن هذه المتانة أن البراغي ستحافظ على قوتها وموثوقيتها بمرور الوقت.مقاومة الاهتزاز
تصميم شفة وبناء قوي لGB-T 5787 مسامير شفة سداسية الرأساسمح لهم بمقاومة الارتخاء بسبب الاهتزازات ، مما يجعلها مثالية للتطبيقات التي تكون فيها الحركة أو الاهتزازات متكررة. هذه الميزة مهمة بشكل خاص في تطبيقات السيارات والصناعية والفضاء.الفعالية من حيث التكلفة
مع توفير أداء استثنائي ،GB-T 5787 مسامير شفة سداسية الرأسكما أنها فعالة من حيث التكلفة. عمرها الطويل ومتانتها العالية وحاجتها المنخفضة إلى غسالات أو مثبتات إضافية تجعلها خيارا عمليا للمشاريع ذات القيود الميزانية.
GB-T 5787 مسامير شفة سداسية الرأسهي مثبتات موثوقة وعالية الأداء مصممة للتطبيقات التي تتطلب اتصالات آمنة وطويلة الأمد. يسمح رأسها السداسي بالتركيب السهل ، بينما توفر الحافة المدمجة توزيعا فائقا للحمل ومقاومة للاهتزاز. تتوفر هذه البراغي في مجموعة متنوعة من المواد والأحجام ، وهي مثالية للاستخدام في صناعات مثل السيارات والبناء وتصنيع المعدات الصناعية وأنظمة التدفئة والتهوية وتكييف الهواء والتطبيقات البحرية. مع متانتها ومقاومتها للتآكل وسهولة الاستخدام ،GB-T 5787 مسامير شفة سداسية الرأسهي عنصر أساسي لضمان استقرار وسلامة الأنظمة الميكانيكية المختلفة.


